Welche Komponenten hat ein Computer?
- CPU
- ALU
- Register File
- Programm Counter
- Memmory Accessser
- DMEM
- IMEM
- Controller
- Memory
- IO (Datenbusse)
-
Hard Drives
-
GPU
- Display
-
Network
-
Sound
-
Keyborad
-
Mouse
-
Design Goals
Computer Architecture Desing Goals
Link to original
Moor’s Law
Moore‘s Law
Moore sagte selber: „We‘re approaching the size of atoms which is a fundamental barrier […]. We have another 10 to 20 years before we reach a fundamental limit.[…]“ (2005)
Aber: Kein Naturgesetz, sondern eine Prognose dessen, was ökonomisch sinnvoll ist.
Timeline
- Gordon Moore (1929 — 2023), Mitbegriinder von Intel
- Stellt Prognose auf:
1968: Verdopplung der Transistordichte alle 12 Monate
1975: Korrektur auf 24 Monate
Ende von Moore’s Law
Link to original
Unterschied zwischen Architektur und Mikroarchitektur?
- Architektur
- Spezifikationen die alles deffinieren um Programme für das System zu schreiben.
- Enthalten das Instruction Set
- Microarchitekutr
-
Der logische Aufbau des Systems
-
Eine spezifische Implementierung des Systems
-
Beispiel für eine Architektur? Warum RISCV?
ARM
RISC V
x86
M4 (System on a Chip)
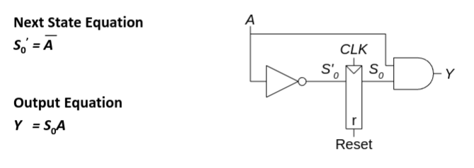
Unterschied zwischen D Latch und D Flip Flop?
SR Latch
Link to original
D Latch
Two inputs:
- CLK: controls when the output changes
- D (the data input): controls what the output changes to
Link to original
- samples on the falling edge
Latch vs Flip-Flop (samples on the rising edge)
D Flip-Flop
Function:
- Samples D on rising edge of CLK
- When CLK rises from 0 to 1, D passes through to Q
- Otherwise, Q holds its previous value
- Q changes only on rising edge of CLK
⇒ Called edge-triggered
vs D Latch (samples on the falling edge) Latch vs Flip-Flop
siehe auch
Flip-Flop with Enable
Link to original
Flip-Flop with Reset
Latch vs Flip-Flop
Link to original
Wofür braucht man eine Clock?
Clock
Link to original
- Clock is a general mechanism that triggers transition from one state to another in a sequential circuit
- Clock synchronizes state changes across many sequential circuit elements
- Combinational logic evaluates for the length of the clock cycle
- Clock cycle should be chosen to accommodate maximum combinational circuit delay
Von-Neumann-Architektur? Shortcomings? Systembus
Das von-Neumann Prinzip
Voll-elektrischer Rechner
Binäre Darstellung der Daten
Benutzung einer arithmetischen Einheit
Benutzung eines Steuerwerkes
Interner Daten- und Programmspeicher
Prinzipieller Aufbau eines Rechners
Link to original
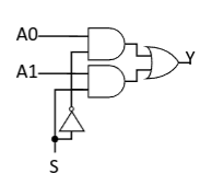
Was ist ein Multiplexer (n:1)? Gibt es mehrere Outputs?
Multiplexer
Link to original
Demultiplexer 1:n, Decoder n:n
Decoders
Link to original
Instruction gegeben, zeigen welcher Instructiontyp? Wo ist rd, rs1, rs2?
RISC V Instruction Format
RISC V R-Type
Link to original
RISC V I-Type
RISC V S-Type
RISC V B-Type
RISC V U-Type
RISC V J-Type
Unterschied zwischen Bitshift, rotieren nach rechts?
Logical Shifters
Binary Shifters using Logic Gates - 101 Computing
Link to original
FSM
Moore FSM
Link to original
Mealy FSM
Link to original
Beispiel Datapath, wie macht man ab einem gewissen Punkt weiter? Ist das Jump oder nicht? Wie viele Zyklen? Einen, weil Single Cycle Processor
Transclude of RISC-V-Impelmentation.excalidraw
Was macht Register Zero?
⇒ Immer 0
⇒ Kann nicht beschrieben werden
RISC V Register Set
Link to original
Pipelining, was passiert da? Wie viele Zyklen pro Instruction?
Weniger als ein Cycle bei der Ausführung einer Instruction mit Pipelining
Es gibt bis zu 5 Stufen in der Ausführung eines RISC V Befehles.
Jeder Clock Cycle kann ein neuer Befehel in der ersten Stufen gestartet werden.
Pro Clock Cycle bewgen sich die Befehle eine Stufe weiter
“Pipelined” RISC-V Datapath
Link to original
Pipeline Register brauchen, welcher Teil der Pipleline welcher Teil der Instruktion beinhaltet.

RISC V Controller
RISC V Controller
Link to original
Pipelining. die drei Hazards
Structural hazard
Hardware does not support access across multiple instructions in the same cycle.
Can not access Memory in two stages
⇒ Separate IMEM, DMEM Memories

Data hazards

Daten sind noch werden erst von vorigem Befehl gelanden und stehen noch nicht zu Verfügung.
Control Hazards

bedingter sprung kann dazu führen das der Befehl danach garnicht ausgeführt wird.
Wie werden Sachen kompiliert von C zu Executable?
Was passiert beim Linken? Linker Patches, S. 37

Memory Mapping, also das konzept bei dem die peripheriegeräte wie Speicher behandelt werden .
Als Beispiel wird ein Gerät gegeben. Welche Adresse schreiben, auf welcher wird gelesen?
Data Flow Graph
Link to original







































